
1. Descripción del producto
Número de parte: GQ25G-D / AL
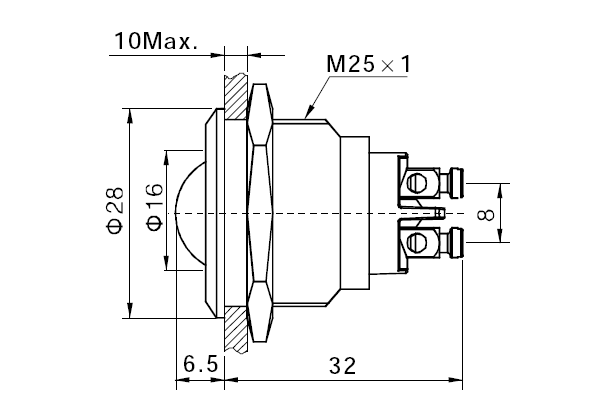
Agujero de montaje: 25 mm de diámetro
Espesor del panel: 1 ~ 10 mm
Color LED: rojo, amarillo, verde, naranja, azul y blanco
Material de la carcasa: aluminio negro
Nivel a prueba de agua: IP67, IK10
Terminal: terminal de tornillo
Clasificación de conmutación: Ith: 5A, Ui: 250V
Aprobación: CE y ROHS.
Temperatura de funcionamiento: -25 - 55 grados.
2. Dibujo:




3. Imagen sobre la fábrica:



Nuestro servicio y promesa
Q. ¿Qué hay de la calidad del producto?
A: tenemos muchas certificaciones, como CCC, CE, VDE y UL
Q. ¿qué tal el precio del producto?
A: somos el fabricante, así que podemos darle un precio muy favorable
Q. ¿Cuál es el MOQ?
A: no hay MOQ para nuestro producto estándar, puede comprar una pequeña cantidad como orden de prueba. Y también podemos proporcionar muestras gratis
P. ¿Cómo sabemos que usted es un proveedor confiable?
A: ONPOW es una fábrica de fabricación y tiene más de 30 años de experiencia especializada en la producción de botón pulsador. Como fabricante profesional, producimos buena calidad para cooperar con muchos países, nuestro principal mercado de ultramar es EE. UU. Y Europa
P: ¿Está bien imprimir mi logotipo en el producto?
R: Sí, admitimos el servicio OEM / ODM siempre que obtengamos la autorización. Y podemos también proporcionar el embalaje especial según su requisito, como su logotipo en la caja, 1pcs / polybag
Etiqueta: rgb llevó las luces, China, fabricantes, venta por mayor, personalizado, cita











